2000 Jeep Grand Cherokee Wiper Wiring Diagram : Alt Wiring Harnes 2004 Jeep Grand Cherokee - Wiring ... - Related manuals for jeep cherokee 2000.. For the jeep grand cherokee second generation 1999, 2000, 2001, 2002, 2003, 2004 model year. 2= grand cherokee 4x2 (lhd). Cherokee radio wiring wiring diagrams blogdiagram]. Every year, the company's engineers add to their models more and more useful new features that serve to improve the comfort of. Wheel alignment specifications & procedures.

2= grand cherokee 4x2 (lhd). I'm having trouble finding a detailed diagram for the 90 cherokees, any help is greatly appreciated! All jeep models that are created today, one way or another are followers of the first brand cars. I'm not sure which speaker wire goes where. Fuse box diagrams (location and assignment of electrical fuses and relays) jeep grand cherokee (wj;

2000 Jeep Gr Cherokee Electrical Problems
2000 Jeep Gr Cherokee Electrical Problems from i0.wp.com
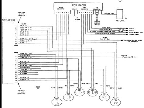
It has the infinity amp under the rear passenger seat. Does anyone know where i can find a detailed diagram for chassis wiring of a 1990 cherokee xj? Jeep vehicles that use a gray ignition key have an immobilizer system that needs to be bypassed when remote starting. Jeep grand cherokee wj electrical wiring diagram. Fuse box diagrams (location and assignment of electrical fuses and relays) jeep grand cherokee (wj; The fuse panel is on the lower instrument panel just to the left of the steering column. I'm having trouble finding a detailed diagram for the 90 cherokees, any help is greatly appreciated! Automobile jeep grand cherokee 2013 owner's manual.

Jeep cherokee 1990 jeep cherokee laredo 1990 jeep cherokee limited 1990 jeep cherokee pioneer 1990 jeep cherokee sport 1990 jeep comanche 1990 jeep comanche eliminator 1990 jeep comanche pioneer 1990 jeep grand wagoneer 1990.

I'm not sure which speaker wire goes where. Fuse box diagrams (location and assignment of electrical fuses and relays) jeep grand cherokee (wj; This video will show you how to access the complete jeep grand cherokee wiring diagrams and details of the wiring harness. Jeep grand cherokee wj electrical wiring diagram. 2= grand cherokee 4x2 (lhd). Every year, the company's engineers add to their models more and more useful new features that serve to improve the comfort of. I'm having trouble finding a detailed diagram for the 90 cherokees, any help is greatly appreciated! Cherokee radio wiring wiring diagrams blogdiagram]. Vehicle wiring details for a 2000 jeep grand cherokee. 1999, 2000, 2001, 2002, 2003, 2004, 2005). Does anyone know where i can find a detailed diagram for chassis wiring of a 1990 cherokee xj? 56 connectors to 100 way instrument panel. Wheel alignment specifications & procedures.

Related manuals for jeep cherokee 2000. It has the infinity amp under the rear passenger seat. Cherokee radio wiring wiring diagrams blogdiagram]. Wheel alignment specifications & procedures. Here you will find fuse box diagrams of.

Wiring Diagram For Jeep Grand Cherokee Laredo - Wiring Diagram
Wiring Diagram For Jeep Grand Cherokee Laredo - Wiring Diagram from static-cdn.imageservice.cloud
56 connectors to 100 way instrument panel. Thank i would like a wire color code diagram for a 1995 jeep cherokee. Automobile jeep grand cherokee 2013 owner's manual. Fuse box diagrams (location and assignment of electrical fuses and relays) jeep grand cherokee (wj; Every year, the company's engineers add to their models more and more useful new features that serve to improve the comfort of. Here you will find fuse box diagrams of. I'm not sure which speaker wire goes where. A label is stamped on the fuse panel cover to identify each fuse for ease of replacement.

I'm not sure which speaker wire goes where.

Related manuals for jeep cherokee 2000. The fuse panel is on the lower instrument panel just to the left of the steering column. I'm not sure which speaker wire goes where. Every year, the company's engineers add to their models more and more useful new features that serve to improve the comfort of. Jeep cherokee 1990 jeep cherokee laredo 1990 jeep cherokee limited 1990 jeep cherokee pioneer 1990 jeep cherokee sport 1990 jeep comanche 1990 jeep comanche eliminator 1990 jeep comanche pioneer 1990 jeep grand wagoneer 1990. Here you will find fuse box diagrams of. This video will show you how to access the complete jeep grand cherokee wiring diagrams and details of the wiring harness. Jeep cherokee transmission data service manual pdf jeep cherokee wiring diagrams we get a lot of people coming to the site looking to get themselves a free jeep cherokee. I need the wiring diagram for a 1998 jeep grand cherokee with the infinity system. It has the infinity amp under the rear passenger seat. Thank i would like a wire color code diagram for a 1995 jeep cherokee. Jeep grand cherokee wj electrical wiring diagram. A label is stamped on the fuse panel cover to identify each fuse for ease of replacement.

Fuse box diagrams (location and assignment of electrical fuses and relays) jeep grand cherokee (wj; Jeep cherokee transmission data service manual pdf jeep cherokee wiring diagrams we get a lot of people coming to the site looking to get themselves a free jeep cherokee. This video will show you how to access the complete jeep grand cherokee wiring diagrams and details of the wiring harness. I need the wiring diagram for a 1998 jeep grand cherokee with the infinity system. Refer to wiring diagrams in the index of this service manual for the location of the proper wiring repair or connector and terminal service procedures.

Rear windshield wiper wiring help - Jeep Cherokee Forum
Rear windshield wiper wiring help - Jeep Cherokee Forum from www.cherokeeforum.com
Related manuals for jeep cherokee 2000. Cherokee radio wiring wiring diagrams blogdiagram]. Vehicle wiring details for a 2000 jeep grand cherokee. Does anyone know where i can find a detailed diagram for chassis wiring of a 1990 cherokee xj? Thank i would like a wire color code diagram for a 1995 jeep cherokee. Every year, the company's engineers add to their models more and more useful new features that serve to improve the comfort of. 109, 110, 111, 112 intermittent wiper module. A label is stamped on the fuse panel cover to identify each fuse for ease of replacement.

I have everything hooked up excpet the wires.

I need the wiring diagram for a 1998 jeep grand cherokee with the infinity system. Every year, the company's engineers add to their models more and more useful new features that serve to improve the comfort of. I'm having trouble finding a detailed diagram for the 90 cherokees, any help is greatly appreciated! Thank i would like a wire color code diagram for a 1995 jeep cherokee. I have everything hooked up excpet the wires. All jeep models that are created today, one way or another are followers of the first brand cars. Here you will find fuse box diagrams of. A label is stamped on the fuse panel cover to identify each fuse for ease of replacement. Wheel alignment specifications & procedures. Vehicle wiring details for a 2000 jeep grand cherokee. Refer to wiring diagrams in the index of this service manual for the location of the proper wiring repair or connector and terminal service procedures. It has the infinity amp under the rear passenger seat. Jeep cherokee 1990 jeep cherokee laredo 1990 jeep cherokee limited 1990 jeep cherokee pioneer 1990 jeep cherokee sport 1990 jeep comanche 1990 jeep comanche eliminator 1990 jeep comanche pioneer 1990 jeep grand wagoneer 1990.

By